產品名稱:1200℃高溫蝶閥
產品型號:HTDQ36P1W
產品口徑:DN200-1800
產品壓力:0.25MPa
產品材質:特種高溫鋼
聯系電話:15901687301
高溫調控蝶閥(1200℃ SO2二氧化硫專用蝶閥)
一、產品簡介
該產品是特殊設計的高溫調節控制閥,產品結構設計合理,操作方便,使用可靠。操作可用蝸輪
蝸桿、電動、氣動,滿足程控和遙控的需要。產品廣泛應用于硫磺制酸高溫副線,以及冶煉、石化系
統中的高爐配風、鍋爐管道作為控制調節閥使用。國家專利產品,專利號:ZL 98 2 17879.4。
二、標準與規范
設計制造標準按Q/ZXD 05-2006《高溫調控蝶閥》。
三、性能參數和主要零件材料
|
技術參數和性能參數 |
主要零件材料
|
|
公稱通徑 |
公稱壓力
|
適用溫度
|
適用介質
|
閥體
|
閥板
|
閥桿
|
填料
|
|
DN200~
DN1800
|
0.25MPa |
≤1350℃
|
SO2、SO3
及其他高溫
氣體
|
20 號鋼板
內襯復合
耐火材料
|
XD-4 高
溫合金
|
XD-4 高
溫合金
|
柔性石墨+因
科鎳爾
|
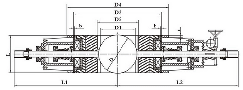
四、結構簡圖

五、外形及連接尺寸
|
公稱通徑 |
L
|
D
|
D1 |
D2 |
D3 |
D4 |
b |
t |
L1 |
L2 |
|
DN(mm) |
NPS |
|
600 |
24 |
470 |
600 |
580 |
630 |
1220 |
1370 |
30 |
22 |
1220 |
1460 |